若您需订购圆柱齿轮减速机,或订购本公司配件请登陆我们的网站:www.txjsj82.com
销售服务热线:0523-87920287 87921086
公司传真:0523-87921086
公司地址:泰兴市泰兴镇姚王
E-mail:28344966@qq.com

ZB变幅摆线齿轮减速机传动比计算


发布时间:2018-01-22 22:51:00 点击:

圆柱齿轮减速机2018-01-22讯变幅摆线齿轮减速机传动比计算

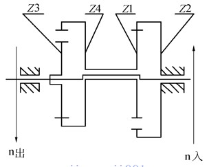
传 动 原 理 图齿轮减速机,圆柱齿轮减速机,圆柱齿轮减速器,硬齿面齿轮减速机齿轮减速机,圆柱齿轮减速机,圆柱齿轮减速器,硬齿面齿轮减速机
传 动 结 构 图

齿轮减速机,圆柱齿轮减速机,圆柱齿轮减速器,硬齿面齿轮减速机

传 动 比 计 算   1.Z1、Z2为高速级齿轮副齿数; 2.Z3、Z4为低速级齿轮副齿数; 3.Z1、Z4为双联行星齿轮; 4.“-”表示输入输出方向相反   1.Z1、Z2为高速级齿轮副齿数; 2.Z3、Z4为低速级齿轮副齿数; 3.Z1、Z3为双联行星齿轮; 4.“+”表示输入输出方向相同


[本文观点非特殊说明,均有泰兴减速机-圆柱齿轮减速机整理原创所得,(转载必究)如要转载请保留相应的源地址,尊重他人劳动成果]

 
文章评论
内容: